
傳真:
18923864027
QQ:
709211280
地址:
深圳市福田區振中路84號愛華科研樓7層
烜芯微是國內專業生產二三極管的生產廠家,先進的生產設備以及專業的工程師,可以很好的幫助客戶朋友穩定好品質,全自動化一貫機,加快了生
烜芯微是國內專業生產二三極管的生產廠家,先進的生產設備以及專業的工程師,可以很好的幫助客戶朋友穩定好品質,全自動化一貫機,加快了生
烜芯微是國內專業生產二三極管的生產廠家,先進的生產設備以及專業的工程師,可以很好的幫助客戶朋友穩定好品質,全自動化一貫機,加快了生
烜芯微是國內專業生產二三極管的生產廠家,先進的生產設備以及專業的工程師,可以很好的幫助客戶朋友穩定好品質,全自動化一貫機,加快了生
烜芯微是國內專業生產二三極管的生產廠家,先進的生產設備以及專業的工程師,可以很好的幫助客戶朋友穩定好品質,全自動化一貫機,加快了生
烜芯微是國內專業生產二三極管的生產廠家,先進的生產設備以及專業的工程師,可以很好的幫助客戶朋友穩定好品質,全自動化一貫機,加快了生
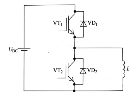
快恢復二極管(簡稱FRD)是一種具有開關特性好、反向恢復時間短特點的半導體二極管,主要應用于開關電源、PWM脈寬調制器、變頻器等電子電路
一、快恢復二極管恢復二極管,簡稱FRD,它是一種具有開關特性好、反向恢復時間短特點的半導體二極管,與普通二極管一樣具有單向導電性,主
整流二極管一種能夠將交流電能轉變為直流電的半導體器件。整流二極管廣泛用于各種電源整流電路中,我們選擇整流二極管時,主要考慮的是它的
整流二極管的作用整流二極管作用是把交流變成直流電的過程,那么對于此類二極管選擇參數有:擊穿電壓VB、最大平均整流電流IF、最高反向工作
整流二極管的作用整流二極管作用是把交流變成直流電的過程,那么對于此類二極管選擇參數有:擊穿電壓VB、最大平均整流電流IF、最高反向工作
肖特基二極管自身功耗小,效率很高,反向恢復時間極短,所以適宜工作在高頻率狀態下;目前常見的肖特基最高結溫為150℃-175℃(結溫越高表示產