
傳真:
18923864027
QQ:
709211280
地址:
深圳市福田區振中路84號愛華科研樓7層
MOS管與簡單CMOS邏輯電平電路介紹現代單片機主要是采用CMOS工藝制成的。01 MOS管MOS管又分為兩種類型:N型和P型。如下圖所示:以N型管為例
cmos電路中esd保護結構原理與應用介紹ESD(靜電放電)是CMOS電路中最為嚴重的失效機理之一,嚴重的會造成電路自我燒毀。論述了CMOS集成電路ES
4個NMOS組成的全橋驅動電路介紹我們常用的電機驅動有半橋驅動和全橋驅動,通常我們也會搭配我們的驅動芯片和NMOS和PMOS來建立全橋和半橋驅
怎么測試DC-DC的SW信號對于絕大部分buck芯片而言其上下兩管都集成到芯片內部,那么該如何觀測兩管的工作狀況呢?實際應用中我們通過觀測上
MOS管自舉電路原理與MOS管自舉電容工作原理解析自舉電路也叫升壓電路,是利用自舉升壓二極管,自舉升壓電容等電子元件,使電容放電電壓和電
OC門電路與OD門電路設計原理介紹1、OC門OC門和OD門它們的定義如下:OC:集電極開路(Open Collector)OD:漏極輸出(Open Drain)這是相
開關電源中同步整流與非同步整流的區別是什么開關電源是通過功率管打開時給電感充電,電感儲能;功率管斷開時,電感釋放能量,從而實現電壓
MOS的減速加速電路設計介紹在開始講解MOS的減速加速電路之前,我們還是先來回顧MOS開啟與關閉的根本機制。以NMOS為例,開啟NMOS本質是對G極
MOS管的電流流向介紹在常規使用中,似乎流經NMOS和PMOS的電流只朝一個方向流動,但實際情況是,MOS的電流流向和BJT不一樣,BJT的電流流向已
兩種MOS冗余驅動方案介紹在電源和電機驅動應用中,功率MOS可以在不同的調制方式下,實現相應的能量轉換功能。單個MOS驅動的結構如圖1所示,
移相全橋控制的原理解析在中大功率電源中,現在市面上最流行的拓撲結構可謂是移相全橋和LLC了,工程師們也最喜歡將這它們放在一塊作比較,
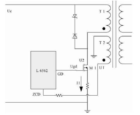
高效率開展的LED路燈電源設計介紹一種方案主要針對LED 路燈的高效率電源驅動器的AC DC 部分。電路采用了零電壓開通技術降低了一次側Mos