
傳真:
18923864027
QQ:
709211280
地址:
深圳市福田區振中路84號愛華科研樓7層
場效應MOS管的輸出特性曲線介紹三極管是利用Ib的電流去控制電流Ic的,所以說三極管是電流控制電流的器件。 而MOS管是利用Ugs的電壓去控制
MOS場效應管被ESD擊穿的解決方案介紹一、MOS管本身的輸入電阻很高,而柵源極間電容又非常小,所以極易受外界電磁場或靜電的感應而帶電,然
MOS場效應管驅動電路設計時快速開啟與關閉mos管介紹MOS管驅動電路設計,以下解析如何讓MOS管快速開啟和關閉。一般認為MOSFET(MOS場效應管
MOS場效應管柵極電阻在工業電源中的作用介紹一、起到分壓作用二、下拉電阻時會快速泄放柵極電荷將MOS管迅速截止三、防止柵極出現浪涌過壓(
集成電路IC芯片的極限溫度,工作溫度范圍是多少芯片的極限溫度與額定電壓和電流一樣是絕對的嗎?盡管集成電路制造商不能保證芯片在其額定溫度
電力晶體管的工作原理和結構解析電力晶體管具有自關斷能力,并有開關時間短、飽和壓降低和安全工作區寬等優點。下面將介紹其的結構外形、原
有極性電容與無極性電容的區別詳解有極性電容、無極性電容。雖然有極性電容和無極性電容原理上相同,但區別于介質的不同、性能不同、容量不
上拉電阻和下拉電阻的作用解析電阻在電路中起限制電流的作用,而上拉電阻和下拉電阻是經常提到也是經常用到的電阻。在每個系統的設計中都用
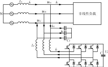
有源濾波器的原理和作用解析近幾年來,配電網中整流裝置、變頻調速裝置、工業電源以及各種電力電子裝置不斷曾加,造成了負荷的非線性、不平
FIR濾波器和IIR濾波器的區別詳解由于數字濾波器具有穩定性高、精度高、設計靈活、實現方便等許多突出的優點,因此廣泛應用于硬件電路設計,
數字濾波器的工作原理詳解在信號處理領域中,對于信號處理的實時性、快速性的要求越來越高。而在許多信息處理過程中,如對信號的過濾、檢測
基于芯片測試的環路濾波器設計詳解在進行小數分頻頻率合成器的芯片測試時,數字部分可以通過常規的數字測試方法即可以實現;而輸出射頻信號