值。基本上功率因數可以衡量電力被有效利用的程度,當功率因數值越大,代表其電力利用率越高。
功率因數是用來衡量用電設備用電效率的參數,低功率因數代表低電力效能。為了提高用電設備功率因數的技術就稱為功率因數校正。
對于一個整流電路,在輸出端都會并聯一個濾波電容(或者一排電容),以讓輸出的直流能更平滑,然而濾波電容會造成交流輸入電壓與輸入電流間的相位偏移。
我們都知道功率因數的定義為有效功率與視在功率的比值,如果AC電壓和電流間的相位差為φ,那么功率因數(PF)=cosφ。如果想要提高電路的效率,那就必須想辦法提高PF。
然而,對于整流電路,只有當AC電壓大于濾波電容兩端電壓Vc時,才會有輸入電流,這種特性就造成了AC電流波形完全從正弦波偏離,會極大地影響功率因數。為了盡量使AC電流變回正弦波,我們引入了PFC電路。

電流I從正弦波偏離
<補充>關于PF=cosφ的推導:
1) 阻性負載
對于純電阻負載,電壓與電流間不存在相位差,所以PF=1。

阻性負載
2) 容性/感性負載
對于容性或感性負載,因為電壓與電流間存在相位差,所以PF<1。

容性負載
PFC拓撲
被動式/無源式(Passive PFC)
使用了被動式PFC的全波二倍壓整流電路的拓撲結構如下圖所示。在被動式PFC中,電感被用來提高功率因數。

部分開關式(Partial-switching PFC)
與被動式PFC相比,部分開關式PFC增加了一個開關器件,通過延長電源電流輸出時間來提高功率因數。當開關器件導通時,來自電源的電能會儲存在電感中。因此,部分開關式PFC還具有boost的功能。

主動式/有源式(Active PFC)
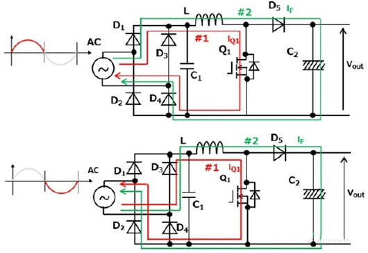
最基礎的主動式PFC(利用了boost電路)的拓撲結構如下。紅色箭頭代表了MOSFET導通時的電流路徑,綠色箭頭則是MOSFET關斷時的電流路徑。根據電流的導通模式,主動式PFC可以分成3種模式:CCM,CRM(BCM),DCM。

基于boost電路的主動式PFC
① 連續導通模式(Continuous Conduction Mode, CCM)
在連續導通模式下,一直會有電流流過電感,因此MOSFET需要在電感電流變成0之前開通。通常來講,CCM會工作在一個固定的頻率下,以控制AC輸入電流呈正弦波。和其他模式相比,CCM的優點是能夠降低電感電流的紋波。
其缺點是,當MOSFET開通時,濾波電容的電壓會反向加在二極管上,由于正向導通時的少數載流子們依舊聚集在PN結兩側,在這個反向電壓的作用下少數載流子會發生漂移運動,二極管會形成較大的反向電流。
這個反向電流再加上電感電流會一起流過MOSFET,因此MOSFET會產生較大的開通損失(turn-on loss)。為了減少這種開通損失,建議選用SiC肖特基二極管(Schottky Barrier Diode, SBD),因為肖特基二極管的反向恢復時間較短。

連續導通模式
② 臨界導通模式(Critical Conduction Mode, CRM/Boundary Conduction Mode, BCM)
在臨界導通模式下,MOSFET會在電感電流降到0時開通,因此MOSFET的開通損失較小。CRM需要監測電路輸出電壓,然后根據電壓調整MOSFET脈沖寬度。
當輸出電壓過高時,會減小MOSFET脈沖寬度;當輸出電壓過低時,會增加MOSFET脈沖寬度。所以諧振頻率也不會固定,因為需要根據輸出電壓調整。

臨界導通模式
③ 不連續導通模式(Discontinuous Conduction Mode, DCM)
在不連續導通模式下,每個周期內都存在電流為0的時期。與其他兩種模式相比,DCM的峰值電流較大,MOSFET關斷損失(turn-off loss)較大,電路的整體效率較低。但是,DCM不會受到二極管反向恢復時間的影響,MOSFET的開通損失也很小。

不連續導通模式
④ 3種模式的比較

PFC應用電路
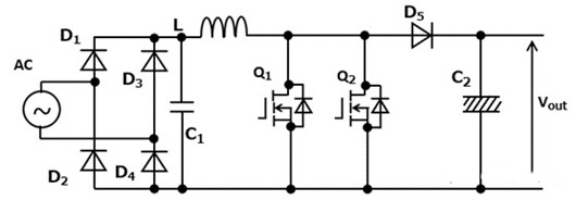
MOSFET并聯型PFC(PFC with parallel MOSFETs)
使用多個MOSFET并聯能夠支持大電源輸入,因為電流會被分流,也同時減小了開關損耗。對于每個MOSFET,必須保證它們的電氣特性和驅動條件相同。

MOSFET并聯型PFC
電話:18923864027(同微信)
QQ:709211280
〈烜芯微/XXW〉專業制造二極管,三極管,MOS管,橋堆等,20年,工廠直銷省20%,上萬家電路電器生產企業選用,專業的工程師幫您穩定好每一批產品,如果您有遇到什么需要幫助解決的,可以直接聯系下方的聯系號碼或加QQ/微信,由我們的銷售經理給您精準的報價以及產品介紹

